
Beaucoup ont entendu parler des pièges à rats électriques, mais tout le monde ne comprend pas tout à fait le fonctionnement de ces dispositifs, leur efficacité et le moment où, en général, il est logique de remplacer les moyens plus traditionnels par ces moyens. Eh bien, nous parlerons plus en détail de ces pièges et examinerons un certain nombre de nuances intéressantes associées à leur application pratique.
Comme vous pouvez déjà le deviner d'après le nom, le fonctionnement du piège à rats électrique est directement lié à l'utilisation du courant électrique. Et nous parlons de la destruction des animaux, et non de leur capture vivante. Une question importante qui devrait se poser immédiatement: ce piège est-il dangereux pour les autres habitants de la maison, y compris les personnes? Toujours, l'électricité ... Nous en reparlerons également plus tard.
En général, il est à noter que les pièges électroniques à rats sont très simples à utiliser et efficaces, et que l'efficacité de tels dispositifs est assez élevée - s'ils sont utilisés correctement, ils peuvent même détruire une grande population de rats sur un territoire donné ...
Le principe de fonctionnement des pièges à rats électriques
Le fonctionnement du piège à rats électrique repose sur un principe simple: l'animal qui monte dans le piège à rats et tente de lui arracher l'appât ferme le circuit électrique sur lui-même. Un courant de haute tension traverse son corps, ce qui entraîne la mort presque instantanée de l'animal.

Note
Dans certains types de pièges, les contacts se ferment sur les griffes de l'animal lorsqu'il monte dans le piège à rats. Dans d'autres dispositifs, le rat reçoit un choc électrique lorsqu'il touche le chargeur avec un appât. Théoriquement, dans le premier cas, le rat a une chance de s'échapper, mais il n'y a pas de différence d'efficacité pratique entre des dispositifs ayant des circuits différents: les rats sont détruits de manière tout aussi fiable par des pièges des deux types.
Il est clair que pour une destruction fiable de l'organisme nuisible, la tension aux électrodes de l'appareil doit être suffisamment élevée. Pour cela, des convertisseurs de tension sont souvent utilisés, ce qui vous permet de convertir la tension basse des batteries en plusieurs milliers de volts à la sortie. Ainsi, dans certains pièges, un rat ou une souris reçoit un choc avec une tension pouvant atteindre 8000 V (bien que la tension puisse être inférieure - un rat standard de 220 V suffit également "suffisamment").
En raison des convertisseurs de tension, certains pièges électriques sont autonomes, fonctionnent sur piles ou accumulateurs et ne nécessitent pas de connexion réseau.
Les principaux avantages de tels dispositifs
L'un des principaux avantages du piège électronique pour rats est son "hygiène". De cette façon, il se compare avantageusement aux poisons qui doivent être étendus dans tout l'appartement (et craignez alors que ni l'outil ni le rat empoisonné par les animaux domestiques ne le trouvent), ainsi que par les pièges mécaniques qui, lorsqu'ils sont déclenchés, laissent souvent des taches de sang séché sur le sol.


En outre, les déchiqueteuses électriques sont pour la plupart très efficaces: dans la pratique, elles parviennent souvent à se débarrasser des rats les plus prudents (qui sont sages par expérience et ne touchent plus le poison et évitent le piège habituel).
Autres avantages des pièges à rats électriques:
- La compacité de l'appareil, la possibilité de l'installer dans des endroits assez isolés et inaccessibles;
- Humanité (comparée à d'autres types d'appareils) - l'animal meurt presque instantanément dans le piège, sans douleur. Cela rend les pièges à rats électriques très différents, par exemple, des pièges à colle dans lesquels un rat peut mourir pendant plusieurs jours;
- Facilité d'utilisation - le piège n'a pas besoin d'être préparé longtemps, et même la disposition du cadavre de l'animal est très simple et prend moins d'une minute (vous n'avez même pas besoin de toucher le cadavre de l'animal).
En attendant, avec tous les avantages ci-dessus, le piège à rats électrique présente certains inconvénients ...
Inconvénients des pièges à rats électroniques
Comme tout appareil électrique, une mauvaise manipulation des pièges à rats électroniques peut être dangereuse pour les animaux domestiques et les humains. Cependant, en toute justice, il faut dire que de nombreux modèles modernes de pièges à rats électriques à piles, même avec une violation flagrante des mesures de sécurité pendant le travail (par exemple, si vous mettez vos doigts à l'intérieur), ne constituent pas un moyen de causer un préjudice grave à la santé humaine.

Note
Les dispositifs les plus dangereux à manipuler sont les périphériques de bricolage alimentés par un réseau 220 V. Souvent, de tels systèmes de protection ne fournissent aucune protection - au mieux, un fusible qui ne vous préservera pas d'un choc électrique menaçant votre vie.
En général, de simples pièges à rats mécaniques avec un ressort puissant peuvent être considérés comme beaucoup plus dangereux à manipuler que des pièges à rats électriques à piles modernes. Un piège peut facilement casser un doigt pour la patte d’un chat ou d’un enfant, tandis que les exterminateurs électroniques de rats et de souris sont conçus de sorte qu’il est impossible d’atteindre les électrodes avec les doigts (ou la patte).

Et même dans le pire des cas, la décharge sera très désagréable pour une personne, mais pas fatale (une personne est environ 100 fois plus grande qu'un rat et la puissance de décharge de l'appareil alimenté par batterie n'est tout simplement pas suffisante pour causer un préjudice grave).
Ces pièges présentent d'autres inconvénients:
- Coût élevé - les prix des déchiqueteuses électroniques commencent à 2 500 roubles et atteignent 10 000 roubles pour les modèles les plus modernes. Pour cet argent, vous pouvez acheter plusieurs dizaines de pièges à souris ordinaires ou plusieurs pièges à tunnel sans danger pour les animaux domestiques et dont l'efficacité n'est pas inférieure à celle des pièges électriques;
- Dépendance de pouvoir. Si le piège fonctionne avec des piles, elles devront être remplacées périodiquement. Si l'appareil nécessite une connexion à une prise, il ne peut pas être utilisé en l'absence de réseau.
- La nécessité de vérifier régulièrement et de libérer les pièges. Si cela n'est pas fait, dans quelques jours, le rat commencera à se décomposer directement dans l'appareil.

Et pourtant, les principaux inconvénients des pièges à rats électriques sont le coût élevé et le danger pour les humains et les animaux de compagnie qui sont grandement exagérés dans l'esprit de l'homme moyen. C'est ce qui limite la popularité de ces appareils parmi le peuple.
Commentaires
«Quand j'étais avec ma sœur, j'ai vu comment ils combattaient des rats là-bas. Ils ont des pièges à rats électriques spéciaux pour cela. Le rat va chercher du pain à l'intérieur et le tue à l'aide d'un courant électrique. Pendant notre séjour d'une semaine, ils ont attrapé trois rats dans leur cave. C’est un excellent remède, il ne répand pas de cervelle ni de sang, il a juste pris ce piège, il l’a renversé, le rat est tombé dans un sac - et c’est tout ... "
Alina, Tver
Marques de pièges à rats électriques
Peut-être plus que tout, les pièges électriques de Victor sont connus en Russie. Plusieurs modèles diffèrent par leur complexité de conception et de prix:
- Le piège Victor le plus simple est alimenté par le réseau. Après avoir capturé l'animal, il doit être débranché de la prise et secouer la proie à la poubelle. Le prix de ce modèle est d'environ 3300 roubles. Les analogues sont Sititek Antirats et EcoSniper GH-190;

- Victor Rat Zapper Classic - tue jusqu'à 20 rats avec une seule charge de batterie et dure jusqu'à un an en mode veille. Le prix est d'environ 3500 roubles;

- Le piège à rats électronique de Victor est le modèle le plus populaire tuant jusqu'à 50 rongeurs sur un jeu de piles. Le prix est d'environ 4 500 roubles;

- Victor Rat Zapper Ultra - fonctionne avec des piles, tue un rat avec une décharge de 8 000 V. Équipé d'un indicateur indiquant que l'animal mort est piégé. Sur un jeu de piles, l’appareil peut tuer jusqu’à 60 rats et en mode veille, jusqu’à deux ans. Le prix du modèle est d'environ 5500 roubles;

- Piège à souris électronique Multi Kill de Victor - le modèle le plus moderne de la société. Il prévoit le mouvement automatique du cadavre de l'organisme nuisible dans la chambre de stockage, pouvant accueillir jusqu'à 10 rongeurs. Un choc électrique se produit dans un compartiment spécial en forme de cône, à partir duquel le rat ne peut pas sortir même en cas de réaction rapide. Dans le même modèle, un système de sécurité fiable est mis en œuvre: un fusible spécial et un circuit en forme de tunnel ne permettent pas à un enfant ou à un animal de compagnie de toucher des éléments dangereux du piège avec ses doigts ou sa patte. Ce modèle coûte environ 8500 roubles.


Vous pouvez également trouver en vente des pièges à rats électroniques importés Rat Killer Yutec et Rat Zapper 2000 - analogues du Victor Rat Zapper Classic et du Victor Electronic Rat Trap, respectivement.
Acheter des pièges Victor aujourd'hui est facilement possible dans les magasins en ligne, avec une livraison dans toute la Russie. Il est parfois possible de trouver des pièges à rats électroniques importés dans des points de vente physiques.
Commentaires
«Je me suis acheté à Moscou une telle bombe: un piège à rats électrique. L'appareil n'est pas bon marché, j'étais un peu inquiet que l'argent soit gaspillé et il n'y aurait aucun effet. Mais non, dans trois jours déjà il a tué deux rats ... "
Rinat, Almaty
Règles d'utilisation et mesures de sécurité
Les pièges à rats électriques sont assez faciles à utiliser. Pour attraper un rat, il vous faut:
- Placez l'appât dans l'appareil. Pour cela, un chargeur spécial est placé à l'intérieur de la paroi arrière de l'appareil.
- Connectez le piège à rats au réseau ou insérez-y des piles, selon le modèle.
- Installez l'appareil de manière à ce qu'un rat ou une souris, attiré par l'odeur d'appât, puisse l'atteindre facilement. Il est conseillé de choisir un endroit pour installer le piège où les parasites sont le plus souvent (où ils laissent leurs traces);
- De temps en temps (mais au moins une fois par jour), vérifiez les signaux de l'indicateur dans le piège à rats. Chaque modèle a son propre mode indicateur, décrit en détail dans les instructions;
- Après avoir attrapé le rat, le piège peut être simplement basculé pour que l'animal en tombe. Si le cadavre doit être retiré manuellement de l'appareil, il est d'abord mis hors tension. Dans un modèle avec une caméra de stockage, seule la caméra elle-même est effacée.

Note
Le piège Victor Rat Zapper Ultra est vendu complet avec un indicateur à distance pouvant être placé dans un endroit facilement accessible et visible. C'est très pratique: un piège à rats peut se trouver quelque part dans le garde-manger derrière une boîte de pommes de terre, et il sera difficile d'y regarder régulièrement. Il suffit de placer l’indicateur dans une pièce sur une étagère et de le vérifier uniquement. Il sera nécessaire d’obtenir le Pied Piper uniquement lorsque le témoin correspondant s’allumera pour indiquer la capture du rongeur.
Pour les rats, la viande hachée avec des oignons, la saucisse fumée, le lard poêlé ou le pain légèrement humidifié avec de l'huile végétale conviennent bien.
Les pièges à rats électriques ne doivent être utilisés que dans des pièces sans enfants ni animaux de compagnie. L'exception est le piège à souris électronique Multi Multi Kill, bien protégé et protégé des animaux et des humains.
De même, n'utilisez pas de pièges électriques à l'extérieur, à l'air libre. Ici, des animaux inoffensifs et parfois très utiles - des musaraignes, des oiseaux, des hérissons, des lézards et des serpents peuvent y pénétrer et y mourir. Dans de tels cas, les dommages causés au site seront plus importants que les avantages de la destruction des parasites par le piège.
Puis-je fabriquer un piège à rats électronique de mes propres mains?
Il est facile de fabriquer un rat électronique à partir de composants radio totalement disponibles. Une tâche importante dans ce cas est de trouver un logement fiable dans lequel, en fait, tous les éléments seront placés et qui servira de piège. Pour ce faire, le moyen le plus simple consiste à utiliser un récipient pour aliments ordinaire dans lequel un trou de 6-7 cm de diamètre est percé pour permettre à l'animal de pénétrer.
Ensuite, deux plaques de métal sont placées sur le fond du conteneur de manière à ce que la distance qui les sépare soit supérieure à 1 cm (supérieure à la longueur de la patte du rat).Cela évitera la situation où une seule patte est «fermée» chez l'animal, elle sera brûlée, mais ne mourra pas et se sauvera. S'il y a une ou plusieurs pattes dans une assiette et dans l'autre, le courant passe dans le corps de l'animal, ce qui entraîne la mort.
Note
Une variante est possible lorsque l’alimentation est fournie à un contact situé au bas du piège à rats et à l’hameçon sur lequel l’appât est suspendu. Dans ce cas, la probabilité de mort du rongeur lors du déclenchement du piège sera encore plus élevée.
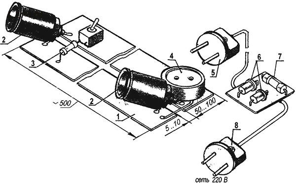
Le dessin ci-dessous montre l'une des variantes du circuit électrique de l'appareil:


Un tel piège est installé où le rat est susceptible de le trouver. Après la capture de l'animal, le piège à rats doit être débranché de la prise, les condensateurs étant déchargés avec un objet conducteur (isolé des mains), après quoi la carcasse de l'animal doit être retirée.
Il faut comprendre que le danger que représente un tel appareil fait maison pour les humains et les animaux de compagnie est incomparablement plus grand que dans le cas de l'utilisation d'un appareil fabriqué à l'usine et alimenté par batterie.

Commentaires
«Nous avons acheté un piège à rats électrique Victor, il a l'air solide, rien que pour l'argent. Ils l'ont mis pour la nuit dans la table de nuit sous l'évier, dans lequel se trouve le bac à ordures, et ont commencé à attendre. Rien dans la matinée. Le soir aussi, rien, mais personne ne monta dans le seau non plus. Après une journée dans la matinée, j'ouvre la table de chevet - la queue sort du piège. Il l'a pris, l'a retourné, le rat est tombé. Tout va bien, sans sang. Bon piège à rat, ça marche.
Pavel, Saint-Pétersbourg
Options de remplacement d'un piège à rats électrique par d'autres types de pièges
Aussi simples et pratiques que soient les pièges à rats électriques, dans de nombreux cas, l’un ou l’autre de leurs défauts ne permet pas aux propriétaires de les utiliser.
Dans de tels cas, avec la même fiabilité, vous pouvez utiliser des moyens plus traditionnels:
- Pièges mécaniques conventionnels - ils sont beaucoup moins chers et ont la même utilisation simple et efficace. Installés dans un appât spécial, ils ne feront de mal à personne. Si ce n'est pas un problème pour vous de retirer d'un piège un rat avec une colonne vertébrale brisée ou un crâne écrasé, vous pouvez utiliser de tels dispositifs;

- Les pièges-étrangleurs sous tunnel sont totalement sûrs, mais ils ne fonctionnent bien que pour attraper les souris;

- Pièges vivants - Ces dispositifs conviennent aux situations où des animaux domestiques ou des enfants vivent dans la maison et où vous ne voulez pas risquer leur santé. Ils sont bons si vous ne voulez pas tuer un rat ou une souris, mais prévoyez de l'attraper, de le sortir de la maison et de le laisser sortir;

- La colle de rongeurs et les pièges à colle basés sur elle - peut-être le moyen le plus indésirable et inhumain de lutter contre les rats. Les rongeurs adhérés mourront longtemps sur une surface adhésive ou devront être finis par eux-mêmes.

Un bon choix (avec une utilisation correcte et précise) est un poison pour les rats et les souris. Ils sont très peu coûteux, efficaces et, s'ils sont disposés dans des étables, ils sont tout à fait en sécurité - ni les enfants ni les animaux domestiques ne les auront.
Si vous avez une expérience personnelle de l'utilisation de pièges à rats électriques, assurez-vous de partager les informations en laissant votre commentaire au bas de cette page.
Une vidéo intéressante avec un bon exemple du fonctionnement d'un piège à rats électrique
Qu'advient-il si vous mettez votre main dans un piège à rat électrique? ..











J'ai très peur des rats et quand ils sont entrés dans le pays, j'ai presque perdu la tête! Je pensais que je n'irais plus jamais au sous-sol. Et puis mon mari a acheté un piège à rats, électronique. Et pourtant, plus de rats. Seulement, il doit être nettoyé régulièrement des cadavres ((
Oh, tout est vrai dans l'article! Quand je mets les pièges à souris habituels, je me suis fait prendre plusieurs fois. Une fois qu’elle m’a frappée si fort à la jambe, c’était bien même dans un pantoufle épais, mais ça me faisait toujours mal. Et les rats ont vite appris à les envelopper et à partir.
Oh, c’est difficile pour les guides-rats, c’est difficile ... Après tout, nous avons des rats domestiques! Pris - et ...